Dear Aspirants, Our IBPS Guide team is providing new pattern Reasoning Questions for IBPS PO Mains 2019 so the aspirants can practice it on a daily basis. These questions are framed by our skilled experts after understanding your needs thoroughly. Aspirants can practice these new series questions daily to familiarize with the exact exam pattern and make your preparation effective.
Check here for IBPS PO Mains Mock Test 2019
[WpProQuiz 7409]Seating arrangement
Directions (1–4): Study the following information carefully and answer the questions given below it.
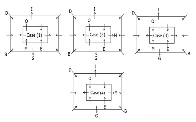
Fourteen person namely – B, C, D, E, F, G, H, I, J, K, L, M, N and O are sitting in two concentric rectangular table. Six person sits in the inner table while eight person sits in the outer table as shown in the below figure.
O sits second left of M. B sits at one of the corner of the table three places away from I. N sits adjacent to E, who doesn’t sits facing J. L neither sits adjacent to O nor sits at adjacent to G. If C and K interchange its position then C sits facing H. I sits immediate north-east of O. G sits immediate south-west of E and sits three places right of D. Both M and G sits in the different table. Person immediate left of N sits facing K. H sits in the same line of sight of F, who doesn’t sits adjacent to B.
1) What is the position of C with respect to F?
a) Immediate right
b) Second to left
c) Immediate north-west
d) Immediate South-east
e) None of these
2) Which of the following combination of persons sits facing away from center?
a) GMIF
b) GHME
c) MILG
d) IMHG
e) None of these
3) Which of the following statement is true?
a) Two person sits between H and E.
b) J sits third to right of B.
c) I sits immediate north-east if C.
d) One person sits between L and K.
e) All the above given statements are not true.
4) Which of the following combination is odd out of five?
a) DGB
b) IJF
c) NCM
d) HME
e) JID
Puzzles
Directions (5–8): Study the following information carefully and answer the questions given below it.
Eight boxes marked B01 to B08 are kept one above others in the form of stack, not necessarily in the same order. Each box is wrapped with different color viz.- Red, Cyan, Green, Black, Blue, Pink, Yellow and Brown. Each box also contains pens of different color viz.- Red, Cyan, Green, Black, Blue, Pink, Yellow and Brown. Number of pens in each box is multiple of position of box just above it between 1 to 60. None of the boxes contains same number of pens nor color of box and the color of pens are same.
For Example: If Box XYZ is kept at bottom, then it only contains number of pens multiple of 2 and box at top contains number of pens multiple of 9.
Two boxes are kept between the box B04 and the Cyan box, which contains 45 pens. Number of boxes above the box B07 is two more than the number of boxes below the box having Green pens. There are 16 Brown pens and kept three places from Black box. The box which contains 45 pens is kept just below Red box. Difference of the number of pens in the Blue box and the box B06 is 24. Black box is kept just above B07, which neither contains Red pen nor wrapped with Yellow. Two boxes are kept between the box which contains Blue Pen and the Pink box, which contains 21 pens. Number of boxes between the box B04 and the box B07 is same as number of boxes between the box B05 and Blue box. The box B05 neither contains odd number of pen nor kept adjacent to Green Box. Sum of the number of pens in the Blue box and Yellow box is equal to number of pens in the Red box. Pink box and Blue box are not kept together. The box B02 contains Red pen and is kept three places away from B03. Yellow box is kept at any place above the box having Pink Pen but below the box B08. Number of pens in the box B08 is cube number and is kept just above the Yellow Pen. Number of pens in the Brown box is half the number of Cyan pen. B05 is placed below B07.B05 is not placed a box which has a multiple of 2 and multiple of 5.
5) How many pens Green box contains?
a) 21
b) 27
c) 8
d) 32
e) None of these
6) Which of the following box contains Cyan Pens?
a) B06
b) B08
c) B01
d) B04
e) None of these
7) Which of the following combination of boxes represents the correct order of number of pens?
a) B01, B04, B02, B07 & B03
b) B02, B03, B08, B05 & B01
c) B08, B04, B01, B02 & B07
d) B04, B03, B08, B07 and B06
e) None of these
8) Which of the following statement is not true?
a) Two boxes are kept between Green box and the box which contains 48 pens.
b) Three boxes are kept between the box B01 and the box which contains 27 pens.
c) The box which contains 56 pens are kept just above Red box.
d) Three boxes are kept below B02 which contains Black Pens.
e) More than one statement is not true.
Blood Relation
Directions (9–10): Study the following information carefully and answer the questions given below it.
“P ^ Q” means “P is mother of Q”
“P # Q” means “P is son of Q”.
“P & Q” means “P is father of Q”.
“P % Q” means “P is brother of Q”.
“P + Q” means “P is daughter of Q”.
“P @ Q” means “P is sister of Q”.
9) In the given expression below how H is related to L?
B^Q+P#H; L+K%W&P
a) Maternal Uncle
b) Grandmother
c) Aunty
d) Mother-in-law
e) Can’t be determined.
10) In the given expression below which of the following statement is true?
M^Q@G&K; R+D%U; K#L;P@U&G;U&Q
a) M is maternal aunty of R.
b) K is granddaughter of U.
c) D is Uncle of Q.
d) L is son-in-law of P.
e) All the given statements are false.
Answers:
Directions (1-4):

We have:
- B sits at one of the corner of the table three places away from I.
- I sits immediate north-east of O.
- O sits second left of M.
That means, in case (1) B sits immediate right of longer side and M sits facing O, in case (2) B sits immediate right of longer sits and M sits at smaller side of inner table, in case (3) B sits immediate left of longer side and M sits facing O, in case (4) B sits immediate left of longer sits and M sits at smaller side of inner table.
- G sits immediate south-west of E and sits three places right of D.
- Both M and G sits in the different table.
That means, D sits immediate west of I.
Based on above given information we have:

Again, we have:
- N sits adjacent to E, who doesn’t sits facing J.
- Person immediate left of N sits facing K.
That means, in case (2) & case (4) K sits immediate right of D, case (1) & case (3) are not valid.
- If C and K interchange its position then C sits facing H.
That means, H must sits facing K.
- H sits in the same line of sight of F, who doesn’t sits adjacent to B.
That means, in case (2) F sits third to left of G, case (4) is not valid.
- L neither sits adjacent to O nor sits at adjacent to G.
That means, L sits immediate right of I.
Since, J and E doesn’t sits facing each other.
Based on above given information we have final arrangement as follows:

Case (1) & case (3) are not valid as person immediate left of N sits facing K, case (4) are not valid as F and B doesn’t sits together.
1) Answer: C
Clearly, C sits immediate north-west of F.
Hence, option C is correct choice.
2) Answer: D
Clearly, IMHG sits facing away from center.
Hence, option D is correct choice.
3) Answer: E
Clearly, all the given statements are not true.
Hence, option E is correct choice.
4) Answer: C
Clearly, in all the four combination 2nd person sits three places away from 1st person and 3rd person sits immediate right of 2nd person.
Thus, NCM doesn’t follows the same rule.
Hence, option C is correct choice.
Directions (5-8):

We have:
- There are 16 Brown pen and kept three places from Black box.
- Black box is kept just above B07, which neither contains Red pen nor wrapped with Yellow.
Since, only 2, 4 & 8 can produce 16 as its multiple, that means, in case (1) Brown Pen are kept at bottom, in case (2) Brown Pens are kept third from bottom, in case (3) Brown Pens are kept second from top.
- Number of boxes above the box B07 is two more than the number of boxes below the box having Green pens.
That means, in case (1) & case (3) Green pens are kept in Black box, in case (2) Green Pens are kept second from bottom.
Based on above given information we have:

Again, we have:
- Two boxes are kept between the box B04 and the Cyan box, which contains 45 pens.
- The box which contains 45 pens is kept just below Red box.
That means, in case (1) & case (3) Cyan box is kept second from bottom and the box B04 is kept fourth from top, in case (2a) Cyan box is kept fourth from bottom and the box B04 is kept second from top, in case (2b) Cyan box is kept fourth from bottom and the box B04 is kept at bottom.
- Number of boxes between the box B04 and the box B07 is same as number of boxes between the box B05 and Blue box.
- The box B05 neither contains odd number of pens nor kept adjacent to Green Box.
- Two boxes are kept between the box which contains Blue Pen and the Pink box, which contains 21 pens.
Pink box and Blue box are not kept together.
That means, in case (2a) the Blue box is kept at top, in case (2b) the blue box is kept second from top, case (1) & case (3) are not valid.
Based on above given information we have:`

Case (1) & case (3) are not valid as the box B05 doesn’t contains odd number of Pens.
Again, we have:
- Sum of the number of pens in the Blue box and Yellow box is equal to number of pens in the Red box.
- Number of pens in the box B08 is cube number and is kept just above the Yellow Pen.
- Yellow box is kept at any place above the box having Pink Pen but below the box B08.
- Difference of the number of pens in the Blue box and the box B06 is 24.
Since, only possible cube number between 1 to 60 are 8 & 27, that means, in case (2b) the box B08 contains 27 pens and the Blue box contains 32 pens, case (2a) is not valid.
B05 is placed below B07. B05 is not placed a box which has a multiple of 2 and multiple of 5.
- Number of pens in the Brown box is half the number of Cyan pen.
That means, in case (2b) Brown box is kept at bottom having 28 pens.
- The box B02 contains Red pen and is kept three places away from B03.
That means, the box B02 is kept fourth from bottom.
Based on above given information we have final arrangement as follows:

Case (2a) is not valid as sum of the number of pens in the Blue box and Yellow box is equal to number of pens in the Red box.
5) Answer: B
Clearly, Green box contains 27 pens.
Hence, option B is correct choice.
6) Answer: A
Clearly, B06 contains Cyan box.
Hence, option A is correct choice.
7) Answer: E
Clearly, none of the combination is correct.
Hence, option E is correct choice.
8) Answer: E
Clearly, statement B and D are not true.
Hence, option E is correct choice.
Directions (9-10):
9) Answer: C
We have:
G&M+D#F; S+B%R&D
From above given statement we have:

Clearly, H is aunty of L.
Hence, option C is correct choice.
10) Answer: C
We have:
M^Q@G&K; R+D%U; K#L P@U&G;
From above given expression we have:

Clearly, D is uncle of Q.
Hence, option C is correct choice.

